Bitte CSS einschalten für korrekte Darstellung

Werbung



 
 
 

 

Informationen zu (Fujitsu)-Siemens Mainboards D1644

Wir können Ihnen derzeit leider keine FSC-Mainboards anbieten !

Bitte sehen Sie von telefonischen oder email-Anfragen zu FSC-Mainboards ab, wenn Sie das Board oder den PC anderweitig erworben haben. Eine Benutzerunterstützung gewähren wir nur unseren Kunden.

Spezifikation von (Fujitsu)-Siemens Mainboard D1644

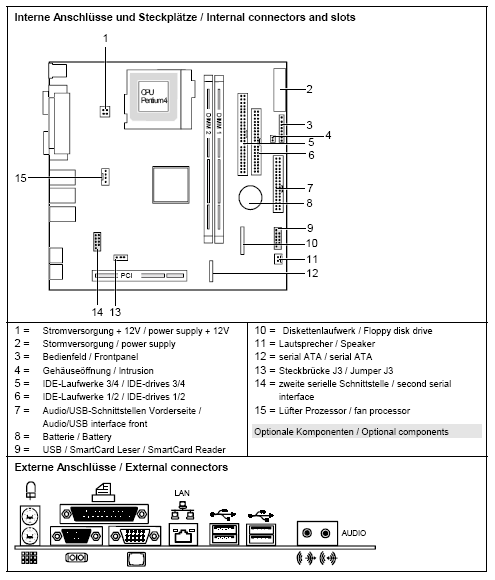
D1644 Mainboard-Layout

Fujitsu-Siemens-Mainboard D1644 Layout:

Wir danken Fujitsu Siemens Computers für die frdl. Erlaubnis zur Wiedergabe dieser Auszüge aus den urheberrechtlich geschützten pdf-Manuals des Mainboards D1644.

 

Frage: Wie kann ich feststellen, welches (Fujitsu)-Siemens-Mainboard in meinem PC steckt?
Frage: Ich habe das BIOS-Setup-Passwort meines (Fujitsu)-Siemens-PC vergessen. Wie lösche ich das BIOS-Passwort?
Frage: Wo finde ich Treiber und Manuals für (Fujitsu)-Siemens-PCs und Mainboards ?

Ludwig Steininger, Riedlingerstr. 3, D-85614 Kirchseeon bei München
Tel. +49-8091-4753, Fax +49-8091-4754, Email

(c) 1998-2013 Eastcomp Second Hand Computer
  EastComp Second Hand Computer - Ludwig Steininger
Tel +49-8091-4753 - Fax +49-8091-4754 - Email-Kontakt